探花网站免费观看蝶阀

探花网站免费观看气动硬密封法兰蝶阀产品简介:
D643W 探花网站免费观看气动硬密封法兰蝶阀是种高性能、长寿命蝶阀,主要由气动执行装置与探花网站免费观看蝶阀组成,阀体与碟板均采用探花网站免费观看材质制作,具有耐高温、防腐蚀、耐高压等特点。按连接方式不同可分为法兰、对夹式或焊接式,不仅适用于开关两位切断控制,并可装配阀门定位器,实现对介质流量、温度、压力等参数的比例调节。探花网站免费观看气动蝶阀可广泛应用于高温、高压以及低温、防火等管道作开关切断或调节使用。
探花网站免费观看气动硬密封法兰蝶阀工作原理:
D643W 探花网站免费观看气动硬密封法兰蝶阀是以压缩空气(空压机)为动力源,通过电磁阀换向去驱动气动执行器,气动执行器带动碟板做0-90°的来回旋转动作,从而达到对阀门的开启和关闭。可根据工况需要,装配上阀门定位器,控制碟板的旋转开度,达到对介质流量等各项参数的智能调节型控制。
探花网站免费观看气动硬密封法兰蝶阀优点:
1、气动探花网站免费观看蝶阀结构紧凑、体积小、重量轻、操作灵活、使用方便。
2、探花网站免费观看蝶阀采用三维偏心弹性或多层次硬密封结构,,密封性能可靠,其中软密封可达到零泄漏;
3、气动探花网站免费观看蝶阀具有耐高温、高压以及耐腐蚀、耐磨损等特点。
4、具有双向密封功能,并且安装方便,安装时不受介质流向的控制,也不受空间位置的影响,可在任何方向安装。
D643W 探花网站免费观看气动硬密封法兰蝶阀主要性能规范:
公称通径 | DN(mm) | 50-4000 | ||
公称压力 | PN(MPa) | 1.0 | 1.6 | 2.5 |
试验压力 | 强度试验 | 1.5 | 2.4 | 3.75 |
密封试验 | 1.1 | 1.76 | 2.75 | |
气密封试验 | 0.6 | 0.6 | 0.6 | |
D643W 探花网站免费观看气动硬密封法兰蝶阀零部件材料:
型号 | D343H-16 | D343W-16P | D343W-16R | |
工作压力(MPa) | 1.6 | |||
适用温度(℃) | ≤425 | ≤200 | ||
适用介质 | 水、油或非腐蚀性介质 | 硝酸类介质 | 醋酸类介质 | |
材料 | 阀体、蝶板 | WCB | CF8/304 | CF3M/316L |
阀杆 | 2Cr13 | 304 | 316L | |
阀体密封面 | 堆焊 507 | - | - | |
蝶板密封面 | 304+柔性石墨 | 304+PTFE | 304+PTFE | |
填料 | 柔性石墨 | PTFE | PTFE | |
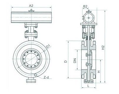
D643W 探花网站免费观看气动硬密封法兰蝶阀--主要连接及外形尺寸:

| 公称通径 DN | 结构长度L | 外形尺寸(参考值) | 连接(标准值) | 参考 重量Dt343H | ||||||||||
| H | Dt343H | PN0.6MPa | PN1.0MPa | |||||||||||
| mm | inch | 短 | 长 | H1 | A1 | B1 | D | D1 | z-d | D | D1 | z-d | ||
| 50 | 2 | 108 | 150 | 112 | 350 | 180 | 200 | 140 | 110 | 4-14 | 165 | 125 | 4-18 | 17 |
| 65 | 5/2 | 112 | 170 | 115 | 370 | 180 | 200 | 160 | 130 | 4-14 | 185 | 145 | 4-18 | 20 |
| 80 | 3 | 114 | 180 | 120 | 380 | 180 | 200 | 190 | 150 | 4-18 | 200 | 160 | 8-18 | 23 |
| 100 | 4 | 127 | 190 | 138 | 420 | 180 | 200 | 210 | 170 | 4-18 | 220 | 180 | 8-18 | 25 |
| 125 | 5 | 140 | 200 | 164 | 460 | 180 | 200 | 240 | 200 | 8-18 | 250 | 210 | 8-18 | 40 |
| 150 | 6 | 140 | 210 | 175 | 555 | 270 | 280 | 165 | 225 | 8-18 | 285 | 240 | 8-22 | 47 |
| 200 | 8 | 152 | 230 | 208 | 605 | 270 | 280 | 320 | 280 | 8-18 | 340 | 295 | 8-22 | 60 |
| 250 | 10 | 165 | 250 | 243 | 680 | 270 | 280 | 375 | 335 | 12-18 | 395 | 350 | 12-22 | 95 |
| 300 | 12 | 178 | 270 | 283 | 800 | 380 | 420 | 440 | 395 | 12-22 | 445 | 400 | 12-22 | 124 |
| 350 | 14 | 190 | 290 | 310 | 835 | 380 | 420 | 490 | 445 | 12-22 | 505 | 460 | 16-22 | 181 |
| 400 | 16 | 216 | 310 | 340 | 915 | 450 | 470 | 540 | 495 | 16-22 | 565 | 515 | 16-26 | 260 |
| 450 | 18 | 222 | 330 | 380 | 960 | 480 | 490 | 595 | 550 | 16-22 | 615 | 565 | 20-26 | 338 |
| 500 | 20 | 229 | 350 | 410 | 1020 | 480 | 490 | 645 | 600 | 20-22 | 670 | 620 | 20-26 | 360 |
| 600 | 24 | 267 | 390 | 470 | 1225 | 480 | 660 | 755 | 705 | 20-26 | 780 | 725 | 20-30 | 540 |
| 700 | 28 | 292 | 430 | 550 | 1355 | 640 | 660 | 860 | 810 | 24-26 | 895 | 840 | 24-30 | 580 |
| 800 | 32 | 318 | 470 | 640 | 1470 | 640 | 660 | 975 | 920 | 24-30 | 1015 | 950 | 24-33 | 845 |
| 900 | 36 | 330 | 510 | 710 | 1545 | 750 | 860 | 1075 | 1020 | 24-30 | 1115 | 1050 | 28-33 | 1050 |
| 1000 | 40 | 410 | 550 | 770 | 1795 | 850 | 860 | 1175 | 1120 | 28-30 | 1230 | 1160 | 28-36 | 1500 |
| 1200 | 48 | 470 | 630 | 890 | 1965 | 850 | 900 | 1405 | 1340 | 32-33 | 1455 | 1380 | 32-39 | 2000 |
相关产品


