衬氟阀门

衬氟Y型过滤器


GL41F46 衬氟Y型过滤器是用来清除腐蚀性介质中的杂质,保护泵、阀门及其它设备的正常使用。一般通水网为20-60目/cm2,通气网为40-100目/cm2通油网为100-480目/cm2。可根据介质相应配置。

衬氟Y型过滤器产品概述:

GL41F46 衬氟Y型过滤器是用来清除腐蚀性介质中的杂质,保护泵、阀门及其它设备的正常使用。一般通水网为20-60目/cm2,通气网为40-100目/cm2通油网为100-480目/cm2。可根据介质相应配置。由于过滤器内壁及滤网均采用耐腐蚀性极强的四氟制成,因此该产品被广泛应用于各种腐蚀性管路中。衬氟Y型过滤器阀体内腔和滤网全部衬氟塑料,该产品在几乎所有的强酸强碱和有机溶剂等介质中均摊能使用,其介质流量与阀门开度基本呈流线性递增,可用于控制阀的流量。

衬氟Y型过滤器产品特点:

1. 衬氟Y型过滤器体符合《化工管道过滤器》HG/T 21637-1991或《钢制压力容器》GB150-1998规范。
2.多种内衬氟材料选择:PTFE、PVDF、PFA、ECTFE、FEP、PO、PE。
3.可耐强酸和强碱,PH可达1-14。
4.可抵御小分子气体的渗透,包括氧、二氧化碳.
5.高纯,析出率极低,符合光伏行业的纯净要求。
6.使用温度宽泛,从超低温度至260℃。
7.表面极其光滑,摩擦系数很小。
8.机械性能强,坚固、耐磨损性能佳。

衬氟Y型过滤器主要零件材料:


序号

零件名称

材料名称

1

阀体

HT250

WCB

CF8

CF3

CF8M

CF3M

2

阀盖

HT250

WCB

304

304L

316

316L

3

过滤网

PTFE(F4)+316

4

螺栓

35

35

1Cr17Ni2

1Cr18Ni9

1Cr17Ni2

1Cr18Ni9

5

螺母

45

45

0Cr18Ni9

0Cr18Ni9

0Cr18Ni9

0Cr18Ni9

6

内衬材料

FEP(F46)、PCTFE(F3)、PTFE(F4)、PO(聚烯烃)


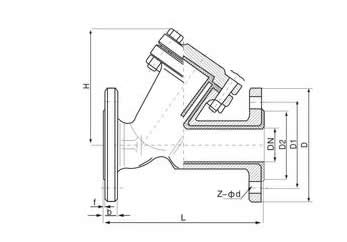
衬氟Y型过滤器主要连接尺寸:‘




公称通径主要链接尺寸
DNNPSLDD1D2fbz-d
mminchPN1.0MPa
151/215016095653164-14
203/4150170105753184-14
251160180115853184-14
325/41802001401003184-18
403/22002601501103184-18
5022302601651253184-18
655/22903301851453184-18
8033103402001603208-18
10043504002201803208-18
12554004802502104228-18
15064805002852404228-22
20086005603402954248-22
相关产品

购买国产探花在线观看阀门合作流程

免费咨询

提供选型

签订合同

安排订货

物流配送

保修一年

网站地图